断路器控制回路是电力系统重要的组成部分,它能够在电力系统故障发生时及时切断故障点,保护设备和人身安全。但由于各种原因,控制回路可能会出现断线的情况。下面我们将从断路器控制回路的基本构成、断线的原因和处理方法三个方面来分析和探讨这一问题。
典型控制回路
1.基本跳合闸回路
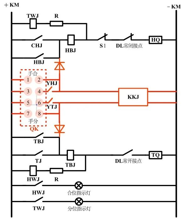
断路器控制回路的简化跳、合闸原理图如图1所示,其中+KM和-KM代表正、负电源,DL为断路器辅助触点,HQ、TQ分别为合、跳闸线圈。(注意:为了方便理解,将手合/遥合/重合闸动作接点在图中简化为同一个合闸出口接点,手跳/遥跳/保护跳类似。)
假定断路器在合闸状态,断路器辅助接点DL常开接点闭合。当保护装置发跳闸命令,跳闸出口接点闭合,通过正电源→跳闸出口接点→DL→TQ→负电源构成回路,跳闸线圈TQ得电,断路器跳闸。断路器完成跳闸动作后,DL常开接点断开跳闸回路,DL常闭接点闭合,为下次合闸做准备。断路器合闸过程同理。
为何需要利用辅助触点DL常开接点断开跳闸电流:一是为了防止跳闸出口接点粘连造成跳闸线圈TQ烧坏(因为TQ的热容量是按短时通电来设计的);二是因为如果由跳闸出口接点来断开跳闸电流,由于接点的断弧容量不够,容易造成接点烧坏,这就为下一次保护跳闸(或合闸)埋下了隐患。
2.监视回路
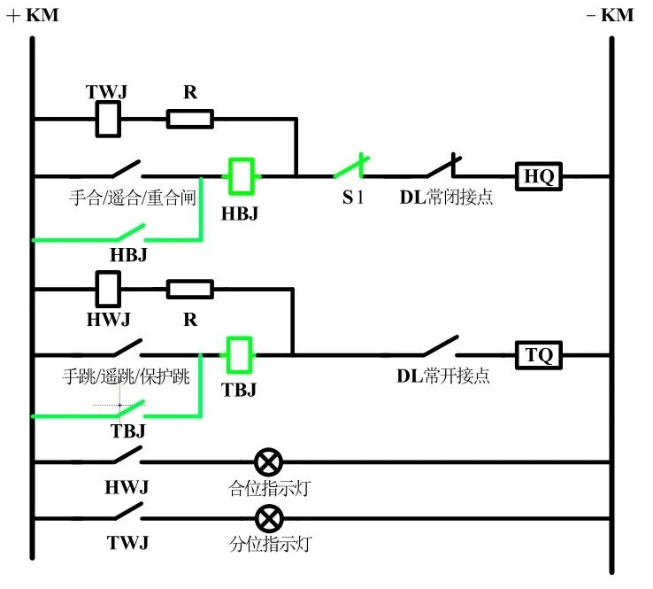
控制回路应该能够反映断路器的位置状态以及跳合闸回路的完整性。所以我们在回路中增加了TWJ、HWJ来监视跳闸回路、合闸回路的完整性,如图2中用蓝色部分所示。HWJ和TWJ分别为合、分闸监视继电器。
当开关在分位时,DL常闭触点闭合,TWJ继电器所在回路导通,TWJ动作,在本图下方的TWJ常开触点闭合,分位指示灯点亮,反映断路器在分闸位置,合闸回路完好。同理合位指示灯亮时,指示断路器在合闸位置,跳闸回路完好。
此时有一个问题需要思考?在分闸监视回路导通时,有电流流过合闸线圈HQ,会不会引起断路器合闸误动作?
答案是不会的,因为在分闸监视回路中串入了限流电阻R,回路中流经的电流会很小,低于合闸线圈HQ的启动电流值,因此并不会合闸。
3.跳、合闸保持回路
在分、合闸操作时,发出的遥合/遥分指令一般为几百毫秒的高电平脉冲,为防止该脉冲在分、合闸操作结束前失效,保证分、合闸动作完全,需要加入保持回路。简单来说就是为了防止跳、合闸出口接点先于DL辅助接点断开,导致分、合闸动作未完成,因此增加了跳、合闸自保持回路,如图3绿色部分所示。其中HBJ和TBJ分别代表合、跳闸保持继电器,S1代表储能弹簧的行程节点。
当合闸操作时,HBJ继电器导通,HBJ常开触点闭合,这时无论合闸出口接点是否断开,合闸回路都会通过HBJ触点导通,完成合闸操作,此时无论合闸出口接点是否先于DL辅助接点断开,都不会影响断路器合闸。分闸同理。
但是增加HBJ继电器存在弊端:发出合闸命令HBJ动作后,此时合闸回路的通断完全由辅助接点DL决定,如果弹簧未储能,断路器无法正常合闸,DL常闭触点就一直闭合,合闸电流一直存在,易烧毁HQ,所以要串入储能弹簧的行程节点S1。
4.合后继电器回路
一般断路器分、合闸操作可分为:就地手动、远方遥控以及保护装置自动控制三种方式,控制回路应该具有区分保护装置动作和人为操作断路器的功能,所以还应加入合后继电器(KKJ),如图4中红色部分。
此时我们可将图一中简化的出口接点进行拆分:CHJ为重合闸接点,TJ为保护跳闸接点,YHJ为遥控合闸接点。YTJ为遥控分闸接点,HHJ为合后继电器,QK为开关操作把手。
当把手位置在远方时,③④、⑤⑥接点导通,可进行遥控操作。
当把手位置在就地合闸时,①②接点导通,完成就地合闸操作。
当把手位置在就地分闸时,⑦⑧接点导通,完成就地分闸操作。
图中的KKJ继电器为双位继电器,当手动(遥控)合闸时,KKJ继电器动作,置“1”,并且始终保持直到分闸才返回;当手分/遥分触点闭合时,KKJ继电器返回,置"0",并且始终保持直到合闸才返回。
由于存在二极管(单向导通),CHJ和TJ是不会触发KKJ继电器的,KKJ的作用是用来判断是正常的分合闸操作,还是故障时保护装置的跳合闸动作。当正常的分合闸操作时,KKJ应变位,当保护动作跳合闸时,KKJ应不变位。KKJ的常开接点提供给“事故总”信号以及重合闸装置使用。
5.防跳回路
所谓防跳并不是防止“跳闸”而是防止“跳跃”。跳跃指的是由于控制开关合闸位置停留时间过长或触点粘连同时线路发生永久性故障,造成断路器不断重复跳-合-跳-合-跳的过程。
发生跳跃会导致导致故障电流多次冲击,损坏断路器甚至爆炸。防跳回路详见图5中粉色部分,其中TBJV为防跳继电器。
当保护装置动作时,跳闸回路中有电流流过,防跳回路中的TBJ常开触点闭合,此时如果发生合闸触点黏连的情况,合闸命令一直发出,那么合闸触点→TBJV→TBJ这条回路导通,防跳电压继电器TBJV将会电压自保持,自保持中的TBJV触点闭合,在HBJ旁的TBJV常闭触点将断开,切断合闸回路,防止断路器“跳跃”。
如果跳闸期间没有分闸命令存在,则在断路器完成分闸后,跳闸回路被DL常开接点断开,TBJ电流线圈失电,此时由于合闸接点一直是断开的,不能形成TBJV电压自保持,复归。TBJV重新闭合,合闸回路完好,不影响下次的跳合闸。
控制回路断线分析
1.原因分析
“控制回路断线”信号的原理是通过跳位继电器(TWJ)和合位继电器(HWJ)来监视回路完好情况。如图6所示为跳位继电器(TWJ)常闭触点与合位继电器(HWJ)常闭触点串联构成信号回路。
只有合闸位置继电器HWJ和跳闸位置继电器TWJ同时失压,才致使两者常闭接点同时闭合,回路接通,保护报控制回路断线信号。显然,只有开关跳闸或合闸回路的完整性被破坏时,才会出现这种异常情况。
值得注意的是,在遥控分合闸时会报控制回路断线信号,结合图4可知,合闸时,弹簧释放能量使断路器合闸,此时弹簧处于未储能状态,合闸回路中的弹簧储能接点S1打开,此时TWJ所在回路断开,TWJ失磁,同时由于断路器还未合到位,跳闸回路中常开接点(DL)还是处于打开状态,从而HWJ不能励磁,这时TWJ与HWJ均不励磁,便发出控回断线信号。当合闸完成后,常开接点(DL)闭合,接通跳闸回路,HWJ励磁,控断信号复归。由于断路器合闸过程时间很短,控断信号发出后即可复归。
2.故障原因
(1)外部原因
控制电源空开跳开,或回路失去电源手车开关电源插件没插好或手车开关没有推到预备位或工作断开器的储能电源开关断开断路器汇控柜内的远/近控开关在“就地”位置六氟化硫低气压闭锁动作
(2)分闸时控制回路异常
常闭接点(DL)异常弹簧储能电机的相关辅助接点松动或异常导致弹簧储能接点(S1)断开合闸线圈故障烧坏导致合闸回路断线S2接点由于合闸闭锁电磁铁故障不励磁而不能闭合,使合闸回路断线合闸回路中其他电气元件故障,导致合闸回路断开
(3)合闸时控制回路异常
常开接点(DL)异常分闸线圈故障烧坏导致分闸回路断线分闸回路中其他电气元件故障,导致分闸回路断开
3.故障危害
控制回路断线的最直接的危害就是导致开关无法正常分合闸,分闸时保控制回路断线说明合闸回路异常,开关无法合闸,合闸时报控制回路断线说明分闸回路异常,开关无法正常分闸。
举例:若某10kV母线中某条10kV线路开关合闸时报控制回路断线,当该线路发生故障时,虽保护发跳闸出口,但该开关并不能跳闸,这时必须由主变低后备动作跳闸隔离故障,直接导致整条母线失电,扩大了事故范围。
控制回路断线处理方式
1、电气方面的原因,能根据图纸自行查找处理的故障应立即处置,不能查找处理的立即上报缺陷,等候检修班现场处理。
2、因为压力降低、机构原因出现控制回路断线时,应首先汇报调度,申请转移负荷、采用旁路带线或用上一级断路器隔离的方法停电处理。
下一篇:国网公司58个专业名词解释




友情链接: